Gần đây, một nhóm các nhà khoa học từ trường Đại học Tokai ở Nhật Bản đã đưa ra mô hình ba chiều (3D) đầu tiên về "mạng lưới" Nơron (Neronal network) của loài ruồi giấm. Nghiên cứu của nhóm nhà khoa học này là một bước tiến quan trọng đối với khoa học thần kinh (neuroscience insofar) bởi nó đã khắc phục được những hạn chế trong kỹ thuật hình ảnh não bộ trước kia bằng cách đưa ra một hình ảnh có độ phân giải cao mạng Neuron, có khả năng mô tả hình dạng và vị trí khoảng 100.000 tế bào thần kinh.
Nguồn ảnh: Mizutani et al/Arxiv.
Như đã được trình bày chi tiết trong một bài viết đăng tải trên trang arxiv vào tháng trước, các nhà nghiên cứu có thể thực hiện được điều này bằng cách thiết lập lại mục tiêu hình ảnh kỹ thuật thường sử dụng để tạo ra những mô hình 3D của các phân tử phức tạp.
Được biết đến như một tinh thể học tia X (x-ray crystallography - ngành khoa học xác định sự sắp xếp của các nguyên tử bên trong một tinh thể dựa vào dữ liệu về sự phân tán của các tia X sau khi chiếu vào các electron của tinh thể), kỹ thuật này hoạt động bằng một mẫu nguyên chất phân tử dạng tinh thể học đầu tiên đang được nghiên cứu. Sau khi xây dựng được hình ảnh 3D của các tia X và mô hình nhiễu xạ tia X thu thập được kết quả. Vấn đề ở đây là kết quả mô hình nhiễu xạ tia X thực tế chỉ hiển thị mật độ các electron bên trong tinh thể, chứ không phải vị trí của nguyên tử tính trung bình - thứ mà được chỉ ra từ các phép đo nhiễu xạ electron.

Tuy nhiên, khi nhóm nghiên cứu Tokai phát hiện ra và tận dụng kỹ thuật này để mô tả cho một mạng Nơ-ron ("mạng lưới" các dây thần kinh) là hơi phức tạp. Điều này là do các nguyên tử trong cùng một phân tử khác nhau - chúng được xem như các điểm nằm trong không gian. Các tế bào thần kinh trong não giống như những đường quanh co khúc khuỷu làm cho các nhà nghiên cứu khó có thể minh họa được vị trí và cấu trúc của chúng dựa trên dữ liệu nhiễu xạ.
Vì vậy, đội nghiên cứu từng bước tinh chỉnh cách tiếp cận hình ảnh này bằng việc sử dụng một kỹ thuật được gọi là tia X chụp cắt lớp vi tính (x-ray tomography). Thay vì tạo ra một phiên bản tinh thạch hóa não bộ của loài ruồi giấm, nhóm nghiên cứu đã ngâm bộ não của chúng trong dung dịch thuốc nhuộm bạc. Sau đó, họ đưa bộ não nhuộm bạc vào tia X để đo lượng bạc trong các tế bào thần kinh đã hấp thụ bức xạ đó như nào. Những dữ liệu đưa ra bởi kỹ thuật này được cho vào một chương trình hình ảnh máy tính, trong đó sử dụng các dữ liệu đó để tạo ra một mô hình 3D về hình dạng và vị trí của các tế bào thần kinh trong não bộ của loài ruồi giấm.
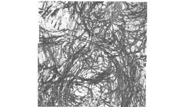
Mạng Neuron của loài ruồi giấm được chụp ở độ phân giải 140 nanomet. Nguồn ảnh: arXiv / Mizutani et al.
Kết quả cuối cùng của việc đặt lại mục tiêu kỹ thuật hình ảnh sinh học này mô tả mạng Neuron của loài ruồi giấm thật ấn tượng. Hình ảnh 3D đầu tiên cho thấy vị trí và các liên kết thần kinh ở độ phân giải khoảng 600 nm (nanomet), mô tả khoảng 100.000 tế bào thần kinh. Trong đó, hầu hết những tế bào thần kinh này được thể hiện bằng các mô hình máy tính, có thể kiểm tra được sự phù hợp của các kết nối thần kinh. Ngoài ra, khi có sự bất thường nào xảy ra, các nhà khoa học có thể các sửa lỗi ngay bằng tay.
Vào thời điểm tất cả mọi thứ được hoàn thành và công bố, các nhà nghiên cứu đã mất 1700 giờ để tạo ra mô hình "mạng lưới" thần kinh (neuron) - gần tròn 71 ngày. Đây là sự đầu tư khổng lồ để có thể ứng dụng cho mạng neuron trong não bộ loài người: khoảng 100 tỷ tế bào thần kinh. Rõ ràng, kỹ thuật này không thể sử dụng được đối với não bộ con người tuy nhiên, nó là một bước quan trọng để tìm ra cách minh họa cho những não bộ phức tạp hơn.
Học IT










Công nghệ
Microsoft Word 2013
Microsoft Word 2007
Microsoft Excel 2019
Microsoft Excel 2016
Microsoft PowerPoint 2019
Google Sheets
Lập trình Scratch
Bootstrap
Hướng dẫn
Ô tô, Xe máy