Tủ lạnh là một trong những thiết bị cần thiết với mỗi gia đình, đặc biệt là vào những ngày hè nắng nóng. Vậy bạn có bao giờ tự hỏi cấu tạo và nguyên lý hoạt động của tủ lạnh như thế nào? Bài viết của chúng tôi sẽ giúp bạn tìm hiểu chi tiết về vấn đề này.
Cấu tạo và nguyên lý hoạt động của tủ lạnh
Cấu tạo tủ lạnh gồm những bộ phận gì?
Nhìn chung, hầu hết các loại tủ lạnh hiện nay đều được có cấu tạo gồm các bộ phận chính sau đây:
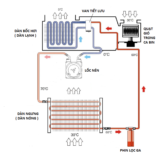
Dàn ngưng (dàn nóng): Là thiết bị trao đổi nhiệt giữa môi chất lạnh ngưng tụ và môi trường làm mát. Dàn ngưng thường làm bằng sắt, đồng và được trang bị cánh tản nhiệt. Đầu vào của dàn ngưng được lắp vào đầu đẩy của máy nén, còn đầu ra được nối với ống mao thông qua phin sấy lọc. Dàn ngưng làm nhiệm vụ thải nhiệt của môi chất ngưng tụ ra ngoài môi trường.
Máy nén: Còn gọi là block. Bộ phận này có nhiệm vụ hút hết hơi môi chất lạnh tạo ra ở dàn bay hơi; duy trì áp suất cần thiết cho sự bay hơi ở nhiệt độ thấp; nén hơi từ áp suất bay hơi lên áp suất ngưng tụ sau đó đẩy vào dàn ngưng. Các dòng tủ lạnh hiện nay thường sử dụng máy nén một hoặc hai pittong. Chúng dùng cơ cấu quay tay thanh truyền biến chuyển động quay thành chuyển động tịnh tiến qua lại của pittong.
Chất làm lạnh (hay gas): Đây là một loại chất lỏng dễ bay hơi (nhiệt độ bay hơi chỉ khoảng -27 độ C), được đặt trong tủ lạnh để tạo nhiệt độ lạnh. Một số loại tủ lạnh sử dụng amoniac tinh khiết như là chất làm lạnh.
Dàn bay hơi (dàn lạnh): Là bộ phận quan trọng trong cấu tạo tủ lạnh, với chức năng trao đổi nhiệt giữa môi chất lạnh và môi trường cần làm lạnh. Nó sẽ thu nhiệt của môi trường lạnh, cấp cho môi chất lạnh sôi ở nhiệt độ thấp. Dàn bay hơi được lắp trước máy nén, sau ống mao hoặc van tiết lưu.
Quạt dàn lạnh: Có nhiệm vụ thổi không khí xuyên qua dàn lạnh, nhằm nâng cao hiệu quả hấp thụ nhiệt trên dàn lạnh đồng thời đưa khí lạnh đi khắp các ngăn của tủ lạnh. Quạt dàn lạnh phải hoạt động đồng thời với máy nén.
Bộ phận xả đá: Có cấu tạo gồm 1 thanh nhiệt điện trở, 1 rơ le nhiệt và 1 bộ timer điều khiển. Bộ phận xả đá có tác dụng làm giảm hiện tượng băng tuyết xuất hiện trên dàn lạnh.
Quạt dàn nóng: Giúp cho dàn nóng xả nhiệt ra bên ngoài tốt hơn.
Van tiết lưu: Nằm giữa dàn nóng và dàn lạnh. Nhiệm vụ của van tiết lưu là hạ áp cho môi chất làm lạnh (chuyển gas từ thể lỏng sang thể khí).
Mạch điều khiển: Là bộ não của hệ thống lạnh, làm nhiệm vụ điều khiển toàn bộ hoạt động của các bộ phận trong quá trình làm lạnh.
Đường ống dẫn gas: Thường được làm bằng đồng với đặc điểm dễ uốn, dễ hàn và có độ bền cao.

Cấu tạo tủ lạnh
Nguyên lý hoạt động của tủ lạnh
Cấu tạo của tủ lạnh chúng ta đều đã rõ. Vậy tủ lạnh hoạt động theo nguyên lý nào?
Giai đoạn 1: Nén khí gas
Bộ phận Block của tủ lạnh nén khí gas, khiến nhiệt độ và áp suất của khí gas tăng cao. Lúc này, gas ở trạng thái khí.
Giai đoạn 2: Ngưng tụ tại dàn nóng
Sau khi được nén tại block, khí gas ở nhiệt độ cao, áp suất cao sẽ được đẩy tới dàn nóng. Tại đây, nó sẽ được không khí làm mát, ngưng tụ thành chất lỏng ở nhiệt độ thấp, áp suất cao.
Giai đoạn 3: Giãn nở
Môi chất lỏng ở nhiệt độ thấp, áp suất cao đi qua van tiết lưu. Ở đó, nó chuyển sang dạng nhiệt độ thấp, áp suất thấp.
Giai đoạn 4: Hóa hơi tại dàn lạnh
Tại dàn lạnh, môi chất lạnh nhận nhiệt nóng từ không khí trong tủ lạnh để hóa hơi đồng thời làm lạnh môi trường trong tủ lạnh. Sau khi hóa hơi thì môi chất lạnh sẽ được chuyển trở về máy nén để bắt đầu cho một chu kỳ mới.

Nguyên lý hoạt động của tủ lạnh
Phân loại tủ lạnh
Sau khi tìm hiểu về cấu tạo và nguyên lý hoạt động của tủ lạnh, chúng ta sẽ cùng nhau phân loại thiết bị này.
Nhằm đáp ứng nhu cầu sử dụng của người dùng, các nhà sản xuất tủ lạnh không ngừng tung ra những sản phẩm mới đẹp hơn, thông minh hơn. Có nhiều tiêu chí để phân loại tủ lạnh. Bài viết này sẽ xét đến hai tiêu chí: công nghệ inverter và tình trạng đóng tuyết.
Theo công nghệ Inverter: bao gồm tủ lạnh inverter và tủ lạnh non - Inverter (tủ lạnh thông thường, không sử dụng công nghệ Inverter). Inverter là gì? Inverter là công nghệ biến tần có khả năng kiểm soát công suất hoạt động của tủ lạnh nhằm tránh những tiêu hao không đáng có. Tủ lạnh Inverter có ưu điểm là tiết kiệm điện năng, vận hành êm ái và bền bỉ hơn so với dòng non - Inverter. Vậy nguyên lý hoạt động của tủ lạnh Inverter có gì khác biệt?
Ở dòng tủ lạnh này, máy nén có khả năng tự ngắt khi tủ đạt độ lạnh cần thiết và tự động khởi động lại khi nhiệt độ trong tủ tăng lên.

Tủ lạnh Inverter giúp tiết kiệm điện năng tối ưu
Theo tình trạng đóng tuyết: bao gồm tủ lạnh không đóng tuyết và tủ lạnh đóng tuyết. Tủ lạnh đóng tuyết sử dụng cơ chế làm lạnh trực tiếp bằng hệ thống máy nén trong khi đó tủ lạnh không đóng tuyết làm lạnh theo cơ chế bằng quạt. Nhìn chung, tủ lạnh không đóng tuyết có nhiều ưu điểm nổi bật hơn như tiết kiệm điện năng, khả năng làm lạnh nhanh, bảo quản thực phẩm hiệu quả nhưng giá bán khá cao. Nguyên lý hoạt động của tủ lạnh không đóng tuyết như sau cứ 6 tiếng, bộ đếm thời gian sẽ bật cuộn dây nhiệt làm nóng để làm tan chảy lớp tuyết bám quanh cuộn dây. Khi nhiệt độ tăng lên 32 độ C dây nhiệt sẽ tự động ngắt.
Hi vọng sau bài viết này các bạn đều hiểu về cấu tạo và nguyên lý hoạt động của tủ lạnh. Ghé thăm META.vn để được tư vấn và đặt mua các loại tủ lạnh chất lượng, giá rẻ.
>>> Tham khảo thêm:
Học IT










Công nghệ
Microsoft Word 2013
Microsoft Word 2007
Microsoft Excel 2019
Microsoft Excel 2016
Microsoft PowerPoint 2019
Google Sheets
Lập trình Scratch
Bootstrap
Hướng dẫn
Ô tô, Xe máy