Bộ ảnh động dưới đây sẽ giúp các bạn biết được các các bộ phận được trang bị trên chiếc xe của mình hoạt động như thế nào. Mời các bạn tham khảo.
1. Động cơ xăng 4 kì

Động cơ xăng 4 kì là một loại động cơ đốt trong hoạt động dựa trên các kì gồm kì nạp, nén, nổ và xả. Động cơ này sử dụng hỗn hợp khí và nhiên liệu được đốt cháy bằng tia lửa của bugi và sinh công để đẩy piston đi xuống.
2. Động cơ thẳng hàng

Động cơ thẳng hàng (chữ I) là một kiểu thiết kế động cơ đơn giản và phổ biến nhất trên xe hơi, các xi lanh của động cơ được bố trí trên một đường thẳng.
3. Động cơ Flat

Đây là biến thể của động cơ V với góc tạo thành giữa các xi-lanh là 180 độ với ưu điểm là trọng tâm thấp. Chính ưu điểm này đã khiến hãng Porsche chọn động cơ Flat làm một trong những động cơ chính của hãng.
4. Động cơ V

Động cơ V có cấu trúc hình V phức tạp hơn so với động cơ thẳng hàng. Với ưu điểm là sức mạnh và không ồn, nhưng vẫn nhẹ, phù hợp với thiết kế của hầu hết các dòng xe, động cơ V thường được sử dụng để trang bị cho các mẫu xe cỡ lớn.
5. Turbo tăng áp

Turbo tăng áp hay bộ tăng áp động cơ là một loại thiết bị cảm ứng cưỡng bức sử dụng khí xả động cơ để quay cánh turbin, cánh turbin làm quay cánh bơm để hút không khí mới vào buồng đốt. Động cơ lắp thêm turbo có thể đưa nhiều không khí hơn so với động cơ hút khí tự nhiên.
6. Hệ thống điều khiển van biến thiên VTEC (Variable Valve Timing-intelligent)

Hệ thống điều khiển van biến thiên VTEC được phát triển nhằm cải thiện hiệu quả của các động cơ đốt trong tại các dải vòng tua động cơ khác nhau. Hệ thống này có khả năng thay đổi góc mở của các xupap để tối ưu lượng khí nạp mới trong động cơ.
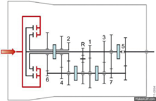
7. Hộp số vô cấp CVT

Hộp số vô cấp CVT hoạt động trên một hệ thống puli và dây đai truyền tạo ra sự thay đổi tỉ số truyền liên tục mà không phân theo từng cấp số.
8. Hộp số ly hợp kép DCT

Đây là hộp số tự động có 2 ly hợp hoạt động độc lập với nhau cho phép quá trình chuyển số nhanh và êm hơn.
9. Bộ vi sai

Bộ vi sai là một hệ thống gồm các bánh răng nằm trên trục nối hai bánh xe. Nhiệm vụ của nó là nhận mô-men xoắn từ trục truyền động và phân chia ra từng bánh xe, giúp các bánh xe quay với tốc độ khác nhau. Điều này giúp tạo sự cân bằng và ổn định cho xe, đặc biệt khi vào cua.
Bộ phận này xuất hiện ở bất kỳ loại xe hơi và xe tải hiện đại nào.
Học IT










Công nghệ
Microsoft Word 2013
Microsoft Word 2007
Microsoft Excel 2019
Microsoft Excel 2016
Microsoft PowerPoint 2019
Google Sheets
Lập trình Scratch
Bootstrap
Hướng dẫn
Ô tô, Xe máy